Este circuito foi incluído no meu livro Robótica, Mecatrônica e Inteligência Artificial - Robotics, Mechatronics and Artificial Intelligence (esgotado) publicado nos Estados Unidos. Mostra o projeto de um oscilador de luz / temperatura dependente. As aplicações incluem projetos de mecatrônica ou robótica com microcontroladores ou como um bloco de construção para projetos simples.
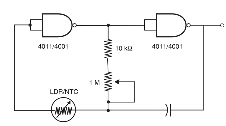
O circuito mostrado pela Figura 1 é outra configuração de um oscilador em que a frequência depende da temperatura ou da quantidade de luz em um sensor. O circuito usa dois portais CMOS NAND (ou NOR). Nesta configuração, mostramos o IC 4001, mas o 4011 também pode ser usado sem problemas. O capacitor determinará a faixa de frequência. O circuito pode acionar muitos dos blocos descritos neste livro e pode ser alimentado por fontes de alimentação de 5 a 15 V.
O capacitor pode ter valores entre 470 pF e 470 nF.
















