Este projeto faz parte do meu livro Robótica, Mecatrônica e Inteligência Artificial - Robotics, Mechatronics and Artificial Intelligence (esgotado) publicado nos Estados Unidos. Ele ensina como construir um condicionador de contato biestável para dois sensores adequados para projetos de mecatrônica ou robótica com microcontroladores ou como um bloco de construção para projetos simples.
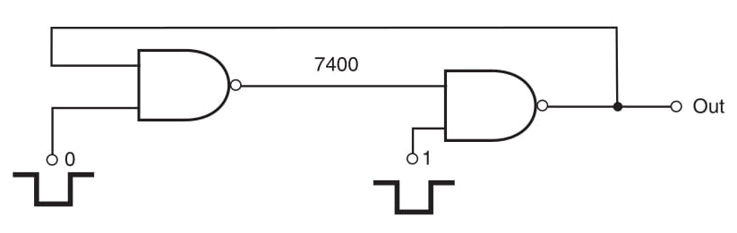
Outro circuito que pode ser usado como um condicionador de contato é mostrado na Figura 1. Esse bloco também usa ICs TTL e deve ser alimentado por uma fonte de alimentação de 5 V. O nível lógico das entradas determina o nível lógico de saída do circuito. Veja outros artigos nesta seção para circuitos que podem ser excitados por este circuito.
O circuito pode ser usado como shield de entrada para sensores com microcontroladores.
















