Este projeto foi incluído no meu livro Robótica, Mecatrônica e Inteligência Artificial (esgotado) publicado nos Estados Unidos. Ele ensina como construir uma carga de dois para motores DC, solenoides ou outras cargas usando um sensor mecânico adequado para projetos de mecatrônica ou robótica com microcontroladores ou como um bloco de construção para projetos simples.
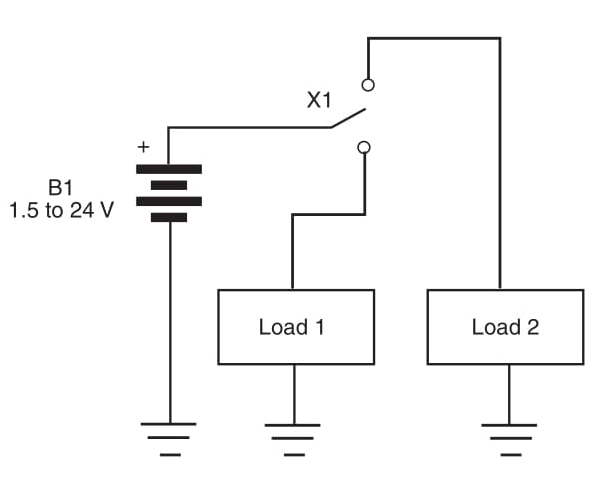
A Figura 1 mostra como um sensor SPDT pode ser usado para controlar duas cargas. As cargas podem ser relés, solenoides, motores ou qualquer outro circuito. Para obter mais informações, analise os artigos anteriores que descrevem como os switches SPST podem ser usados para controlar muitas funções de motores, relés e outras cargas.

Figura 1 - Controlando duas cargas















