Este artigo foi escrito com base no meu livro Robotica, Mecatrônica e Inteligência Artificial - Robotics, Mechatronics and Artificial Intelligence (esgotado) publicado no Estados Unidos. O descrito circuito pode ser usado para controlar a velocidade e o torque de um motor de corrente contínua ou de conduzir outras cargas tais como SMAs ou aquecedores.
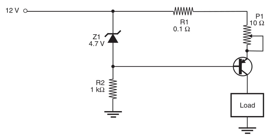
Um circuito interessante para projetistas de robótica e mecatrônica é o mostrado na Figura 1. Esse circuito mantém um fluxo de corrente constante através de uma carga. Isso pode ser importante para manter a velocidade de um motor constante mesmo quando a carga é alterada, ou para manter a corrente através de um aquecedor constante quando sua temperatura muda, alterando assim sua resistência.
* Lembre-se que fontes de tensão constante são as baterias normalmente usadas para alimentar os robôs e outros aparelhos. Estes são diferentes das fontes de corrente. Algumas fontes de tensão constantes são descritas em outras partes deste site.
O diodo zener é do tipo 400 mW ou 1 W, e P1 é usado para ajustar a corrente através da carga. Este circuito pode ser usado para manter correntes constantes de até 500 mA. Se correntes maiores estiverem envolvidas, um transistor Darlington pode ser usado.
P1 deve ser um potenciômetro enrolado em arame e sua taxa de dissipação é importante se cargas maiores forem controladas. O ajuste atual pode ser feito usando um medidor de corrente em série com a carga.
Se tensões mais altas forem usadas na entrada, o resistor de 1 k deve ser aumentado em valor, e o zener deve ter maior poder de dissipação. Se a carga for um motor, é conveniente adicionar um capacitor de desacoplamento em paralelo. Capacitores eletrolíticos entre 1 e 470 μF são recomendados para esta função.
















