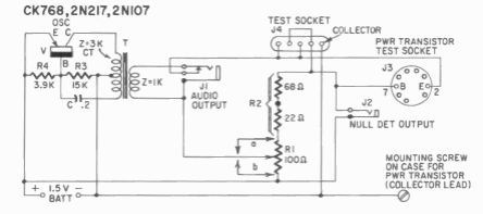
Encontramos este circuito numa documentação de Gernsback de 1960. O circuito se destina a transistores de germânio e o transistor usado é de germânio da época.

 


 

 

 

 

NO YOUTUBE


NOSSO PODCAST