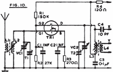
Encontrado numa publicação inglesa antiga este circuito usa um MOSFET de dupla comporta. As bobinas não foram especificadas.

 


 

 

 

 

NO YOUTUBE


NOSSO PODCAST