Fonte de 12 V com 250 mA CIR15628S CB8499E (CIR18591)
Detalhes
Escrito por: Newton C. Braga
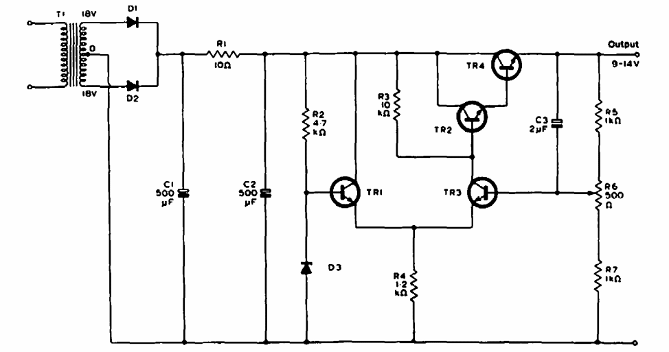
Encontrado numa documentação da Philips dos anos 90, esta pequena fonte pode usar transistores modernos como o BD135 para TR4 e os da série BC para os demais.