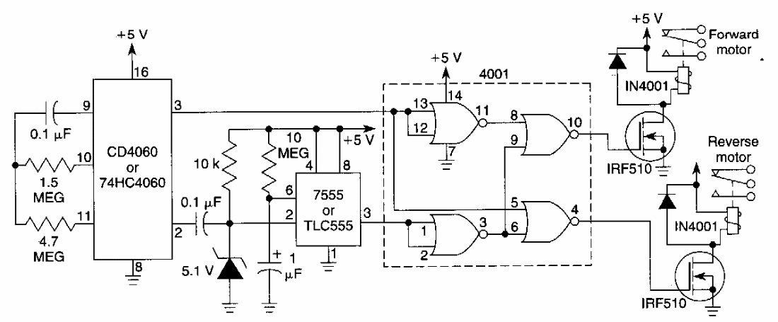
Encontramos este circuito numa documentação americana antiga, mas o circuito ainda pode ser montado com facilidade já que os componentes usados ainda se encontram disponíveis. Os MOSFETs admitem equivalentes.
Encontramos este circuito numa documentação americana antiga, mas o circuito ainda pode ser montado com facilidade já que os componentes usados ainda se encontram disponíveis. Os MOSFETs admitem equivalentes.