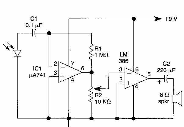
Este é o receptor para o circuito anterior. O amplificador de áudio admite equivalentes. O receptor é um fotodiodo operando como célula fotoelétrica. Pode ser usada em seu lugar uma fotocélula do tipo encontrado em calculadoras e relógios solares.

Este é o receptor para o circuito anterior. O amplificador de áudio admite equivalentes. O receptor é um fotodiodo operando como célula fotoelétrica. Pode ser usada em seu lugar uma fotocélula do tipo encontrado em calculadoras e relógios solares.
