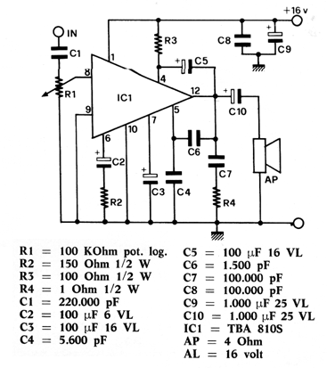
Este circuito foi encontrado na revista italiana Radio Elettronica de setembro de 1977. Ele consiste num bom amplificado0r de áudio de 7 W com o circuito integrado TBA810S que possui aletas para serem soldadas em áreas cobreadas da placa que funcionarão como di9ssipadores. A fonte deve ser de 16 V com pelo menos 1 A.
















