Este artigo foi adaptado do livro Robótica, Mecatrônica e Inteligência Artificial - Robotics, Mechatronics and Artificial Intelligence (esgotado) que publiquei nos Estados Unidos. No site, o leitor encontrará vários artigos desta série com variações deste projeto e informações sobre o livro original.
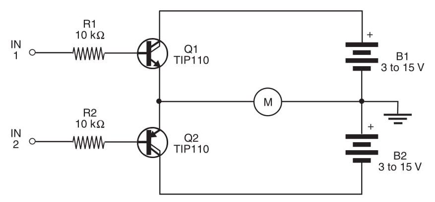
Menos potência é necessária para acionar o circuito mostrado na Figura 1, já que o transistor Darlington tem maior ganho. Este circuito precisa de correntes na faixa de microamperes para acionar motores com correntes de até alguns amperes, dependendo dos transistores. Em outros artigos, indicamos alguns transistores Darlington que podem ser usados neste aplicativo. O par TIP110 e TIP115 pode ser usado com motores de até 1 A. Nesse caso, a referência para os sinais de controle também é o terra. Um capacitor de 0,47 μF em paralelo com o motor pode ser necessário em alguns casos. Os transistores devem ser montados em dissipadores de calor. A tabela da lógica de controle fornecida no último bloco é válida para este bloco.
















