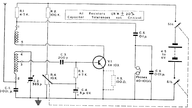
Este receptor usa apenas um transistor, mas tem excelente sensibilidade para a faixa de ondas médias. O circuito foi encontrado em documentação de 1967. O transistor é de germânio.

Este receptor usa apenas um transistor, mas tem excelente sensibilidade para a faixa de ondas médias. O circuito foi encontrado em documentação de 1967. O transistor é de germânio.
