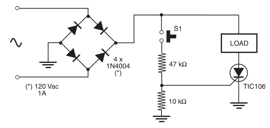
Este artigo foi escrito com base no meu livro Robótica, Mecatrônica e Inteligência Artificial - Robotics, Mechatronics and Artificial Intelligence (esgotado) publicado nos Estados Unidos. O circuito descrito pode ser usado para ligar e desligar cargas alimentadas pela rede elétrica CA. Este bloco elimina o inconveniente do Bloco 85 (perda de metade da potência), como mostrado na Fig. 1. A ponte completa na entrada permite a operação do SCR com ambos os semiciclos negativo e positivo da tensão da fonte de alimentação. Os diodos devem ser classificados para a tensão e a corrente exigidas pela carga. O interruptor pode ser substituído por um sensor.
(*) Indicado para correntes até 1 A. Para cargas maiores, use o 1N5404 e o 1N5407 para a rede elétrica de 220/240 AC.
















