Este projeto faz parte do meu livro Robótica, Mecatrônica e Inteligência Artificial - Robotics, Mechatronics and Artificial Intelligence (esgotado) publicado nos Estados Unidos. Ele ensina como construir um condicionador de contato usando o 4093 IC, adequado para projetos de mecatrônica ou robótica ou como um bloco de construção para projetos simples.
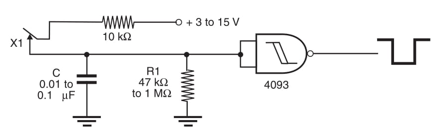
A diferença entre este circuito e o mostrado nos projetos anteriores nesta seção é que, neste circuito, a saída vai para o nível lógico alto quando o sensor está fechado (Figura 1).
Os componentes (capacitor e resistor) são escolhidos de acordo com as características de repique do sensor e estão na mesma faixa de valores descritos no último bloco. Veja também outros projetos nesta seção. Nele, você encontrará blocos que podem ser adicionados à saída deste circuito para aumentar sua potência.
















