Destinado ao reforço dos sinais da faixa de média frequência do espectro audível, este circuito pode fornecer efeitos muito interessantes quando associado a um equipamento de som. De fato, com o reforço dos médios aumentamos a inteligibilidade da palavra fazendo sobressair as vozes em relação aos fundos musicais.
Nota: O circuito é de 1978
É claro que com um correto ajuste dos controles de graves e de agudos de um amplificador comum já seria possível a obtenção desses efeitos, mas encontrar o ponto ideal em que isso ocorreria não só é uma tarefa algo trabalhosa, como também teria de ser repetida sempre que desejássemos o efeito em questão.
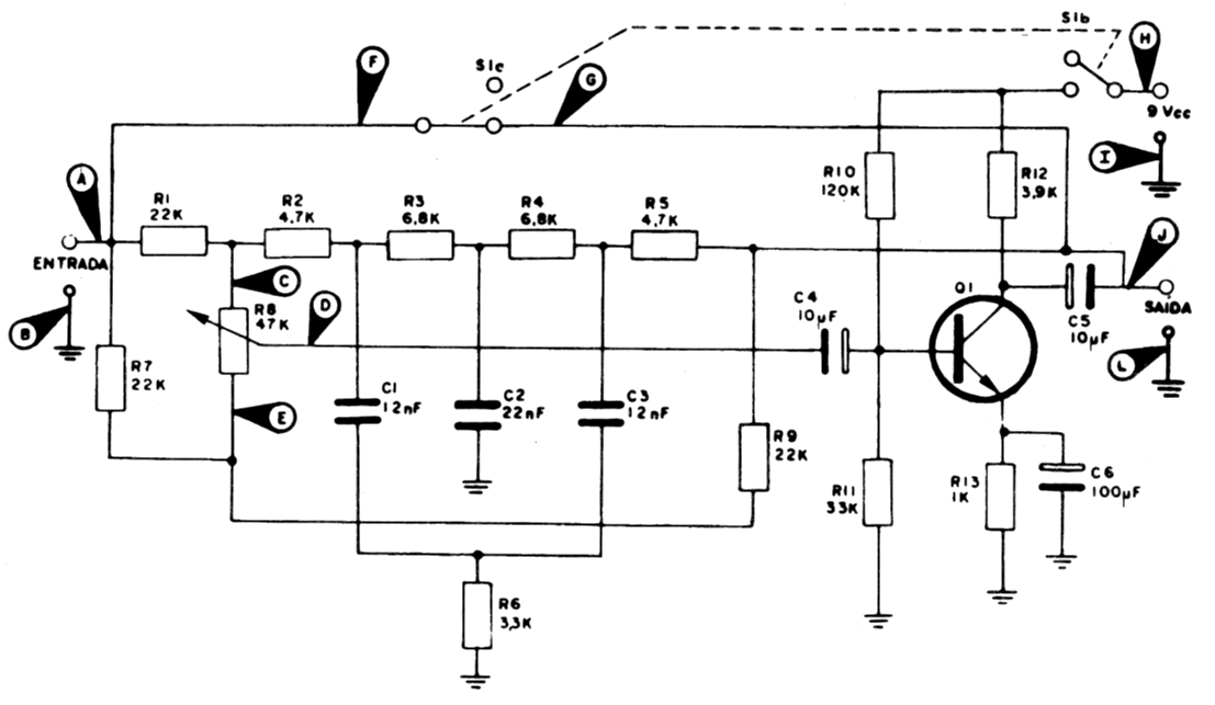
Para esta finalidade é muito mais interessante dispor de um circuito próprio que possa ser intercalado entre a fonte de sinal (sintonizador, fonógrafo, toca-fitas, etc) e o amplificador, podendo inclusive ser colocado e retirado do circuito por meio de um interruptor, conforme sugere o diagrama da figura 1 .
Para esta montagem, em vista da operação com sinais de pequena intensidade que devem passar por uma amplificação razoável no equipamento posterior recomenda-se o máximo de cuidado em relação aos cabos de ligação que estão sujeitos a captação de zumbidos, devendo ser do tipo blindado.
Entretanto, como o número de componentes usados é pequeno, e são todos de fácil obtenção, o leitor não terá dificuldade em realizar sua montagem numa placa de circuito impresso, projetando-a de acordo com nossa sugestão.
O CIRCUITO
O circuito básico deste efeito é de um pré-amplificador com uma curva de resposta tal que seu máximo ocorre em 2 kHz. Com o potenciômetro de 47k na posição inferior, o ganho do amplificador é aproximadamente de O dB, enquanto na posição oposta obtém-se um ganho máximo de 13 dB para o amplificador em 2 kHz. A fonte de sinais ideal para operar com este circuito de presença deve ter uma impedância inferior a 500 ohms, sendo que sua impedância de saída também é baixa, da ordem de 100 ohms.
MONTAGEM
Na figura 2 temos o diagrama completo deste circuito de presença, enquanto na figura 3 temos uma sugestão para a montagem em placa de circuito impresso.
A alimentação de 9 V para este circuito pode vir de uma única bateria que forneça esta tensão, ou se o amplificador com o qual ele operara tiver disponível esta tensão, dele próprio. Na montagem deve ser observada a posição do transistor e a polaridade dos capacitores eletrolíticos que devem ter uma tensão de isolamento de pelo menos 12 V. Os demais capacitores podem ser de poliéster metalizado ou cerâmicos, enquanto todos os resistores podem ser de 1/8 W para se obter uma montagem a mais compacta possível.
Os cabos de entrada e de saída do sinal devem ser do tipo blindado com sua blindagem ligada à massa do aparelho. Depois de montado o circuito de presença pode ser instalado numa caixa apropriada a qual terá em seu painel frontal a chave para comutar sua ligação no circuito para uma ligação direta da fonte de sinal e o potenciômetro de controle de ganho.
Para provar este circuito basta conectá-lo entre a fonte de sinal e o amplificador, ligando a entrada do circuito de presença à saída do sintonizador ou de um toca-fitas ou ainda de uma cápsula fonográfica de baixa impedância, e a saída do circuito de presença à entrada de baixa impedância do amplificador.
O controle de ganho será feito simultaneamente no controle de volume do amplificador e no potenciômetro do circuito de presença.



















