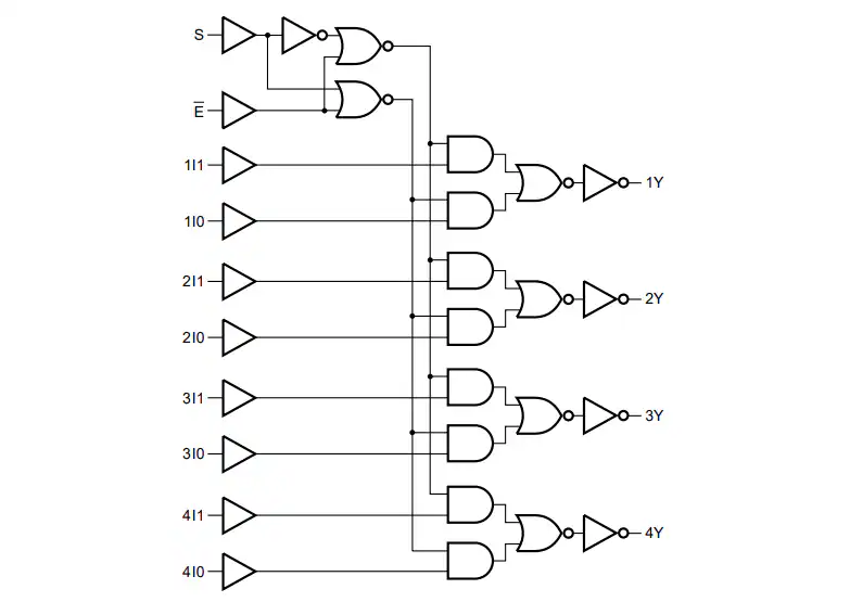
Os multiplexadores Nexperia 74LVC157A/74LVC157A-Q100 Quad de 2 Entradas oferecem entradas de seleção (S) e habilitação E. Um nível ALTO em S seleciona a fonte de dados 1 e um nível BAIXO, a fonte de dados 0. Um nível ALTO em E força todas as saídas (1Y a 4Y) a nível BAIXO. As entradas podem ser operadas por dispositivos de 3,3 V ou 5 V. Este recurso permite que os dispositivos 74LVC157A atuem como tradutores em aplicações mistas de 3,3 V e 5 V. A ação do gatilho Schmitt em todas as entradas tolera os tempos de subida e descida de entrada mais lentos do circuito. O Multiplexador Quad de 2 Entradas Nexperia 74LVC157A-Q100 possui certificação AEC-Q100 Grau 1 e especificações de -40 °C a +85 °C e de -40 °C a +125 °C. Os dispositivos são ideais como conversores em aplicações mistas de 3,3 V e 5 V.
















