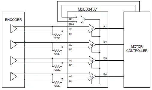
Os receptores MaxLinear MxL8343x Quad RS-485/422 foram projetados para suportar comunicações de até 80 Mbps em ambientes industriais severos. Esses dispositivos possuem uma faixa de tensão de alimentação de 3,3 V a 5 V, 128 nós de barramento e uma faixa de operação em modo comum estendida de ±15 V. Os pinos do barramento toleram Transientes Elétricos Rápidos (EFT) IEC e Descarga Eletrostática (ESD) IEC. Os receptores MxL8343x atendem ou excedem os requisitos das normas TIA/EIA-485A e EIA/TIA-422B. Esses receptores oferecem inicialização/desativação sem falhas para capacidade de troca a quente e entradas de receptor aberto (Rx) à prova de falhas. Os receptores MxL8343x oferecem baixa distorção de atraso de propagação canal a canal para garantir o máximo desempenho do sistema. Aplicações típicas incluem tradutores de nível, redes inteligentes, equipamentos de telecomunicações, transporte industrial, acionamentos de motores de alto desempenho e equipamentos de controle industrial e de processos.
















