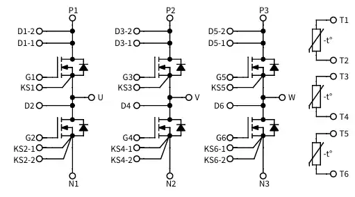
Os Módulos de Potência de Carboneto de Silício Wolfspeed YM Six-Pack são módulos qualificados para uso automotivo, projetados para integração perfeita de design e durabilidade. Esses módulos agilizam a integração de carboneto de silício em sistemas de tração de veículos comerciais, de construção e agrícolas, com seu padrão industrial e tecnologia de encapsulamento avançada. Os módulos YM six-pack apresentam um layout de terminal de potência otimizado que reduz a indutância do encapsulamento, permitindo tensão de sobretensão reduzida e perdas de comutação ultrabaixas. Aplicações típicas incluem inversores de tração automotivos, veículos elétricos híbridos, acionamentos de motores, energia renovável, fontes de alimentação auxiliares e veículos comerciais, de construção e agrícolas.
















