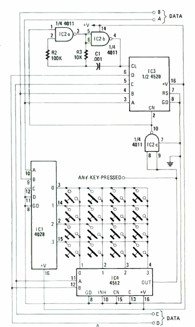
Este circuito utiliza componentes comuns CMOS. Encontramos na revista Radio Electronics de julho de 1987. O circuito decodifica o acionamento de 16 interruptores de pressão.

Este circuito utiliza componentes comuns CMOS. Encontramos na revista Radio Electronics de julho de 1987. O circuito decodifica o acionamento de 16 interruptores de pressão.
