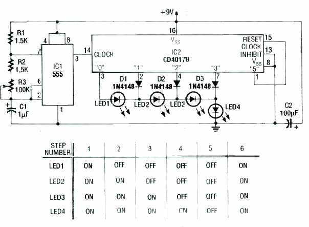
Este circuito tem os efeitos indicados na tabela junto ao diagrama. Encontramos na revista Radio Electronics de fevereiro de 1992. O circuito tem sua velocidade dependente de C1 e ajustada em R3.

Este circuito tem os efeitos indicados na tabela junto ao diagrama. Encontramos na revista Radio Electronics de fevereiro de 1992. O circuito tem sua velocidade dependente de C1 e ajustada em R3.
