Pesquisar
Pesquisar
Principal
Aprendendo Online
Automação
Bancada de Reparação
Circuitos
Dicas
Livros Técnicos
Novidades
Projetos e Artigos
Revistas
mais ...
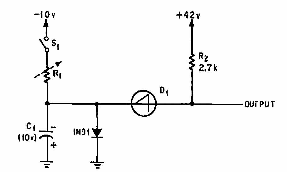
Alargador de pulsos CIR20784S CB21436E (CIR20881)
Detalhes
Escrito por:
Newton C. Braga
Este circuito foi encontrado numa documentação antiga. D1 pode ser um diac.
| Clique na imagem para ampliar |
Últimas Notícias
Além da Terra: A tecnologia da USP que monitorou o bem-estar dos astronautas em missão à Lua (NS009)
Memória de Cristal: A tecnologia que vai eternizar o mundo em vidro (NS008)
Sons do invisível: o mistério que a ciência investiga na Terra e na Lua (NS007)
Última Edição
Buscador de Datasheets
N° de Componente
NO YOUTUBE
NOSSO PODCAST
Recentes
Conversor para 20 m V1948S T1361E (V2500)
Amplificador biológico V1899S T1311E (V2449)
Oscilador fonográfico em FM V1815S T1227E (V2363)
Amplificador com vibrador T1156E V1735S (V2283)
Banco de Circuitos
Milivoltímetro DC CIR15333S CB8213E (CIR18303)
Filtro passa baixas de segunda ordem CIR25814S CB25814E (CIR26717)
Oscilador CIR23492S CB23796E (CIR23900)
Link Óptico TTL CIR23721S CB23670E (CIR24157)
Filtro passa faixa de segunda ordem CIR25624S CB25598E (CIR26523)