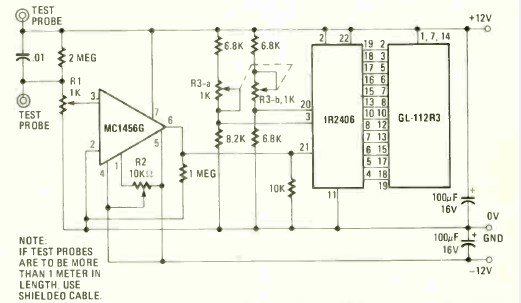
Encontramos este circuito na revista Radio Electronics de outubro de 1979. Ele faz uso de um indicador bargraph 7016, mas outros equivalentes podem ser empregados. R2 faz o ajuste de offset ou nulo do amplificador operacional.

Encontramos este circuito na revista Radio Electronics de outubro de 1979. Ele faz uso de um indicador bargraph 7016, mas outros equivalentes podem ser empregados. R2 faz o ajuste de offset ou nulo do amplificador operacional.
