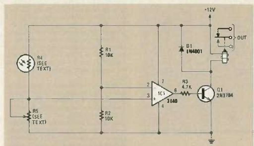
Este circuito dispara o relé quando a temperatura supera o valor ajustado no trimpot. O circuito é da Radio Electronics de junho de 1986. O sensor é um NTC e o valor do ajuste depende desse componente.

Este circuito dispara o relé quando a temperatura supera o valor ajustado no trimpot. O circuito é da Radio Electronics de junho de 1986. O sensor é um NTC e o valor do ajuste depende desse componente.
