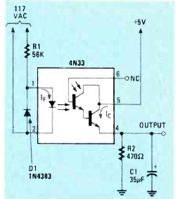
Usando um acoplador óptico 4N33 temos na figura uma interface óptica para circuitos TRTL, disparada pela tensão da rede de energia. O circuito pode ser modificado para interfacear outras lógicas.

Usando um acoplador óptico 4N33 temos na figura uma interface óptica para circuitos TRTL, disparada pela tensão da rede de energia. O circuito pode ser modificado para interfacear outras lógicas.
