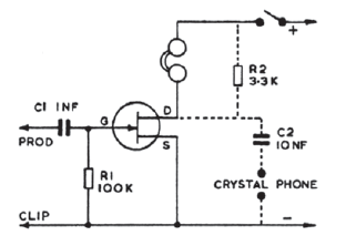
Este circuito foi encontrado numa documentação antiga. Os transistores podem ser tipos de uso geral JFET e o fone no dreno do transistor deve ser de alta impedância.

Este circuito foi encontrado numa documentação antiga. Os transistores podem ser tipos de uso geral JFET e o fone no dreno do transistor deve ser de alta impedância.
