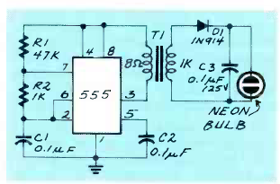
Este circuito consiste num pequeno inversor para acender uma lâmpada neon com baixa tensão. O circuito é de uma revista Radio Electronics de outubro de 1989.

Este circuito consiste num pequeno inversor para acender uma lâmpada neon com baixa tensão. O circuito é de uma revista Radio Electronics de outubro de 1989.
