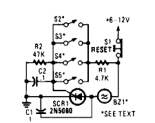
Este simples alarme com SCR dispara um buzzzer. Foi encontrado na Enciclopédia de Circuitos Eletrônicos Volume 5 de 1995. O circuito é alimentado por tensões de 6 a 12 V.

Este simples alarme com SCR dispara um buzzzer. Foi encontrado na Enciclopédia de Circuitos Eletrônicos Volume 5 de 1995. O circuito é alimentado por tensões de 6 a 12 V.
