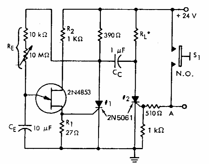
Este circuito foi encontrado numa documentação da Motorola dos anos 90. O circuito usa dois SCRs que devem ser escolhidos de acordo com a carga controlada. O tempo depende de CE.
Este circuito foi encontrado numa documentação da Motorola dos anos 90. O circuito usa dois SCRs que devem ser escolhidos de acordo com a carga controlada. O tempo depende de CE.