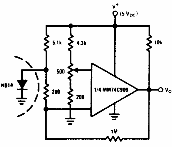
Encontramos este circuito numa documentação dos anos 80. No entanto, ele pode ser implementado com operacionais modernos. O sensor é um diodo que recebe radiação infravermelha.

Encontramos este circuito numa documentação dos anos 80. No entanto, ele pode ser implementado com operacionais modernos. O sensor é um diodo que recebe radiação infravermelha.
