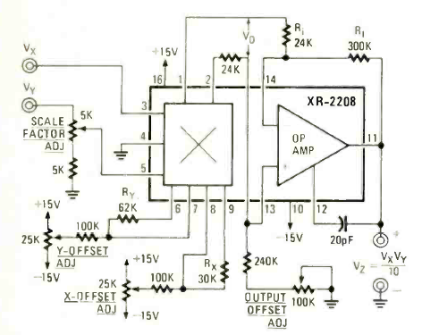
Este circuito de aplicação do XR2208 foi encontrado na revista Radio Electronics de abril de 1978. O circuito deve ser alimentado por uma tensão de 15 V e existe um ajuste de offset.

Este circuito de aplicação do XR2208 foi encontrado na revista Radio Electronics de abril de 1978. O circuito deve ser alimentado por uma tensão de 15 V e existe um ajuste de offset.
