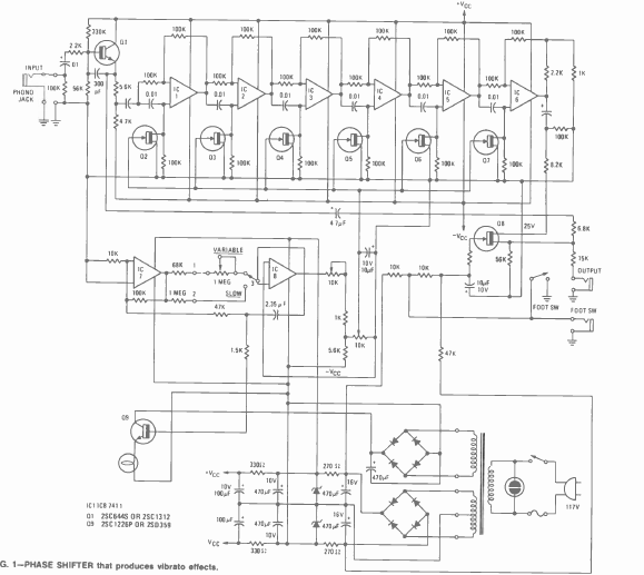
A finalidade deste circuito encontrado na revista Radio Electronics de setembro de 1977 é produzir o efeito de vibrato. Trata-se de um circuito de deslocamento de fase trabalhando com operacionais comuns.

A finalidade deste circuito encontrado na revista Radio Electronics de setembro de 1977 é produzir o efeito de vibrato. Trata-se de um circuito de deslocamento de fase trabalhando com operacionais comuns.
