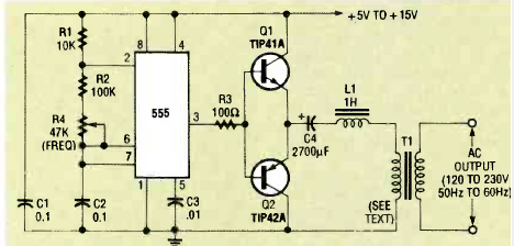
Uma tensão de 120 V não senoidal pode ser obtida com este circuito encontrado na revista Radio Electronics de dezembro de 1992. A potência é de alguns watts.

Uma tensão de 120 V não senoidal pode ser obtida com este circuito encontrado na revista Radio Electronics de dezembro de 1992. A potência é de alguns watts.
