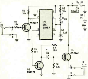
Este simples circuito de biofeedback com o 555 foi encontrado na revista Radio Electronics de dezembro de 1983. O circuito é alimentado por bateria e o sinal aplicado a um fone de alta impedância.

Este simples circuito de biofeedback com o 555 foi encontrado na revista Radio Electronics de dezembro de 1983. O circuito é alimentado por bateria e o sinal aplicado a um fone de alta impedância.
