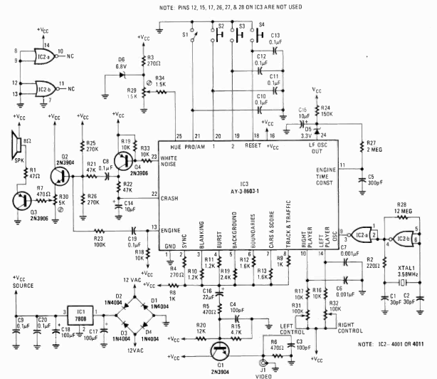
Este é o circuito tradicional do videogame de corrida de 1980 com o AY3-6603-1 que também publicamos na época em nossas revistas. Este circuito é da revista Radio Electronics de agosto de 1980.

Este é o circuito tradicional do videogame de corrida de 1980 com o AY3-6603-1 que também publicamos na época em nossas revistas. Este circuito é da revista Radio Electronics de agosto de 1980.
