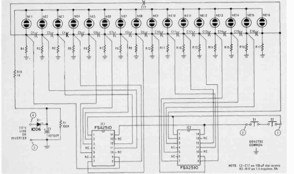
Este circuito de futebol saiu na revista Radio Electronics de março de 1977. Os lances são feitos por um sistema de pulsadores que fazem as lâmpadas correr num tabuleiro.

Este circuito de futebol saiu na revista Radio Electronics de março de 1977. Os lances são feitos por um sistema de pulsadores que fazem as lâmpadas correr num tabuleiro.
