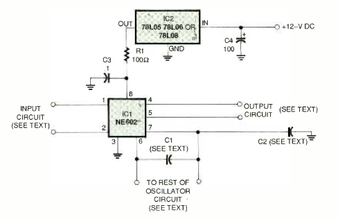
Este circuito foi encontrado na revista Electronics Now de fevereiro de 1997. O circuito tem uma alimentação para o NE602 e entradas e saída livres para projetos.

Este circuito foi encontrado na revista Electronics Now de fevereiro de 1997. O circuito tem uma alimentação para o NE602 e entradas e saída livres para projetos.
