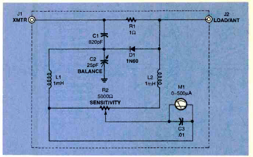
Encontramos este circuito na revista Electronics Now de março de 1999. O indicador utilizado é do tipo analógico. Os valores indicados dependem da calibração.

Encontramos este circuito na revista Electronics Now de março de 1999. O indicador utilizado é do tipo analógico. Os valores indicados dependem da calibração.
