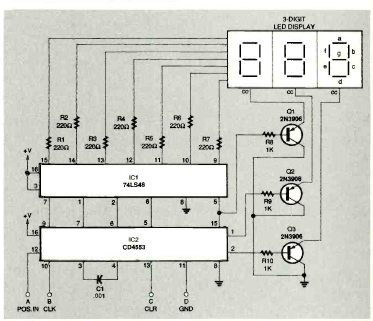
Este circuito é interessante para experimentos, podendo fazer parte da bancada na forma de módulo. O circuito é de uma revista Electronics Now de março de 1995.

Este circuito é interessante para experimentos, podendo fazer parte da bancada na forma de módulo. O circuito é de uma revista Electronics Now de março de 1995.
