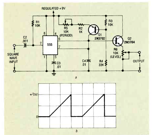
Este circuito gera um sinal dente de serra linear. O circuito foi encontrado na revista Radio Electronics de dezembro de 1992. A frequência máxima esta em torno de 200 kHz

Este circuito gera um sinal dente de serra linear. O circuito foi encontrado na revista Radio Electronics de dezembro de 1992. A frequência máxima esta em torno de 200 kHz
