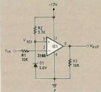
Este circuito de comparador de tensão básico tem a tensão de referência dada por diodo zener. A entrada usada é a negativa. O circuito é de uma Radio Electronics de junho de 1986.

Este circuito de comparador de tensão básico tem a tensão de referência dada por diodo zener. A entrada usada é a negativa. O circuito é de uma Radio Electronics de junho de 1986.
