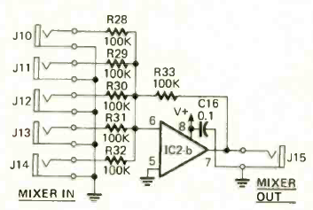
Este circuito faz parte de um projeto mais complexo publicado na revista Radio Electronics de setembro de 1978. O operacional pode ser o 741 e a fonte de alimentação deve ser simétrica.

Este circuito faz parte de um projeto mais complexo publicado na revista Radio Electronics de setembro de 1978. O operacional pode ser o 741 e a fonte de alimentação deve ser simétrica.
