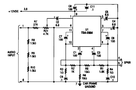
Este amplificador de áudio para o carro foi encontrado numa Popular Electronics Hobbyst Handbook dos anos 90. O circuito usa o TDA2004 para aumentar a saída de rádio de carro dos carros da época.

Este amplificador de áudio para o carro foi encontrado numa Popular Electronics Hobbyst Handbook dos anos 90. O circuito usa o TDA2004 para aumentar a saída de rádio de carro dos carros da época.
