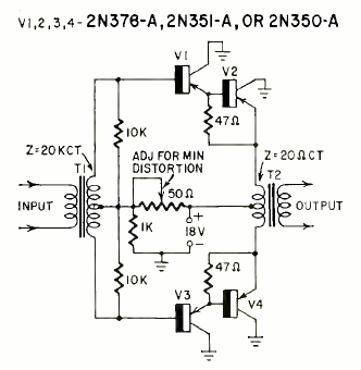
Esta etapa de potência com 15 W foi encontrada na revista Radio Electronics de agosto de 1959. Os transistores são do tipo de potência da época e a alimentação feita com 18 V.

Esta etapa de potência com 15 W foi encontrada na revista Radio Electronics de agosto de 1959. Os transistores são do tipo de potência da época e a alimentação feita com 18 V.
