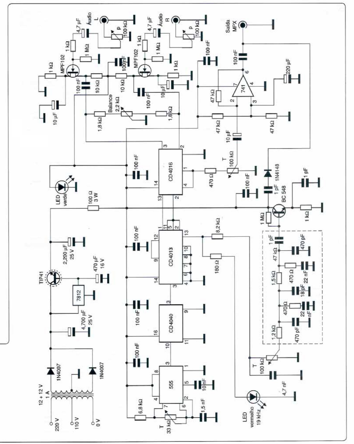
O circuito apresentado tem por finalidade codificar sinais de áudio de duas fontes (estéreo) para que possam ser transmitidos e decodificados por equipamentos receptores de FM esterco, com a devida separação dos canais.
O circuito tem por base um 555 que gera o sinal piloto de 19 kHz e o sinal multiplexador de 38 kHz (veja o artigo sobre transmissores nesta mesma edição). O bloco pré-amplificador usa transistores de efeito de campo MPF102 (ou BF2451 O ajuste do sinal de saída multiplexado é feito nos trimpots. Um deles controla o nível do sinal piloto e o outro dos sinais multiplexados de áudio.
As ligações para os sinais de áudio devem ser as mais curtas possíveis para que não ocorra a captação de zumbidos. A fonte de alimentação utilizada tem boa filtragem, devendo suas conexões serem as mais curtas possíveis. O transistor TIP41 deve ser dotado de um radiador de calor. Projeto de Ivan Fernando Roberto Avaré - SP publicado na revista Eletrônica Total 124 de 2007.
















