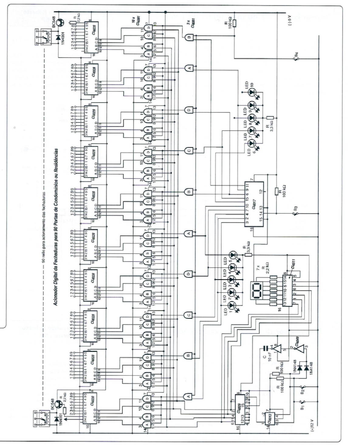
Segurança é um dos ternas mais discutidos em nossos dias. Lima solução que muitos têm adotado para obter mais segurança, por exemplo, é morar em condomínios. O circuito apresentado consiste em um acionador digital de fechaduras para 90 portas de condomínios ou residências.

Com esse sistema instalado em um condomínio residencial, ou de apartamentos, temos uma segurança maior, pois pode-se ligar e acionar 90 fecha- duras elétricas diferentes de portas de apartamento que, após destravadas com a chave comum, o proprietário solicitará a portaria pelo interfone o travamento da porta, assim apresentando o número de identificação.

O circuito mostrado é um pouco complexo, sendo projetado com o objetivo de ligar à portaria todas as portas dos apartamentos do condomínio. Ele possui quatro botões, um display e ume coluna de LEDs. B1 e 82 selecionam o número de porta, o qual será visualizado no display 1 a 9. B3 seleciona o andar, o que será indicado na coluna de LEDs 1 a 10. B4 confirma a seleção feita para acionar a fechadura e permitir a entrada do proprietário em seu apartamento. Wagner Norberto dos Santos - João Pessoa—PB. Publicado na revista Eletrônica Total 124 de 2007.

 

 

 


| Clique na imagem para ampliar |

 

 

 

NO YOUTUBE


NOSSO PODCAST