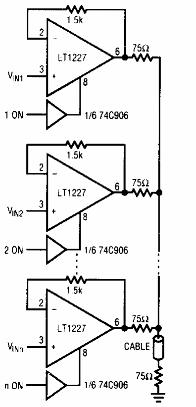
Este circuito é um mixer para sinais de vídeo. Encontramos em documentação da Linear Technology dos anos 90. Os componentes usados são da época.

Este circuito é um mixer para sinais de vídeo. Encontramos em documentação da Linear Technology dos anos 90. Os componentes usados são da época.
