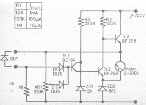
Encontramos este circuito provador de junções numa documentação inglesa antiga. O circuito serve para verificar a tensão de ruptura. Os transistores usados são tipos de alta tensão.

Encontramos este circuito provador de junções numa documentação inglesa antiga. O circuito serve para verificar a tensão de ruptura. Os transistores usados são tipos de alta tensão.
