Controle de motor com retardo CIR15052S CB7933E (CIR18022)
Detalhes
Escrito por: Newton C. Braga
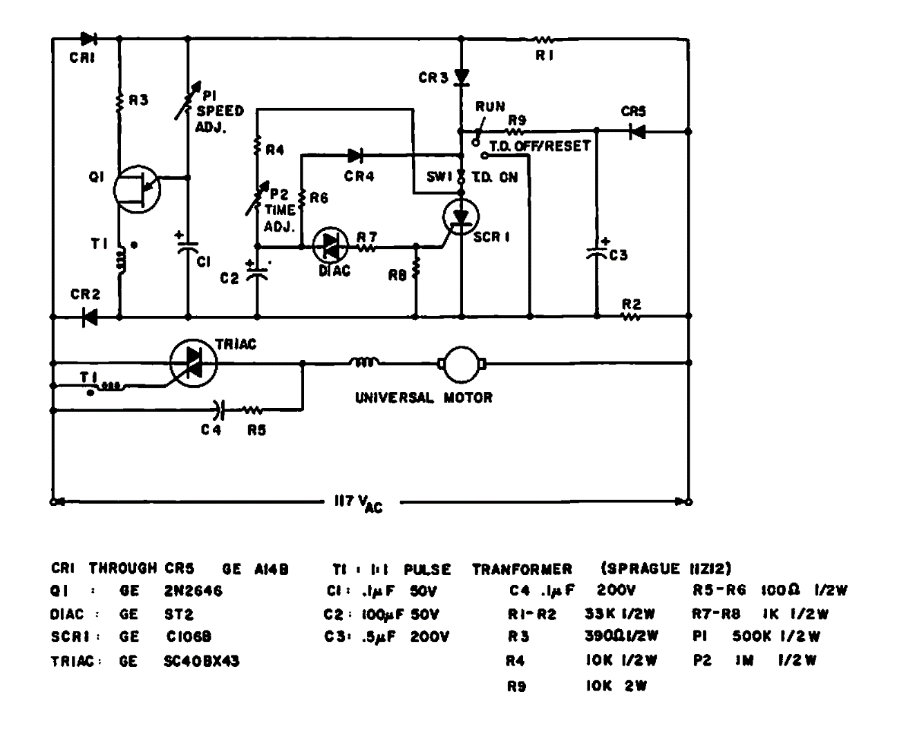
Encontrado num manual da General Electric de 1966, este circuito fornece um retardo no acionamento. O motor é do tipo universal e o triac de acordo com sua corrente.