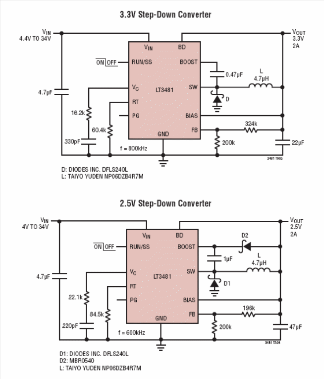
Um circuito integrado bastante interessante para projetos de conversores step-down (redutores de tensão) com uma capacidade de corrente de saída até 2 A é o LT3481 da Linear Technology (www.linear.com). Este componente tem uma faixa de tensões de entrada de 3,6 V a 34 V com um máximo de 36 V e uma frequência de comutação de 2,8 MHz. Na operação no modo burst o ripple com 50 uA Iq, 12 V de entrada e 3,3 V de saída. Este ripple nestas condições, é menor do que 15 mV. O diodo boost é integrado e a tensão de referência de feedback é de 1,265 V. O dispositivo pode fornecer tensões de saída de 1,265 V a 20 V e possui recursos para partida suave. A chave de potência incluída no chip tem uma resistência de apenas 0,18 ohms o que leva o dispositivo a alcançar elevadas eficiências, acima de 80% com a carga máxima. Na figura temos um circuito de aplicação para uma entrada de 6,3 V a 34 V e uma saída de 5 V. Para saídas de 3,3 V e 2,5 V com entradas na faixa de 4 a 34 V temos os dois circuitos mostrados na figura 5. Em todos os casos, temos recursos de shutdown que reduzem o consumo para menos de 1 uA. O dispositivo é fornecido em invólucro MSOP de 10 pinos e também DFN.

















