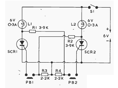
Usando SCRs comuns como o TIC106, este circuito tem como carga lâmpadas incandescentes, mas pode ser alterado para usar LEDs ou circuitos de aviso sonoro.

Usando SCRs comuns como o TIC106, este circuito tem como carga lâmpadas incandescentes, mas pode ser alterado para usar LEDs ou circuitos de aviso sonoro.
